山東風途物聯網科技有限公司
聯系人:王經理
聯系電話:13371051536
QQ:1401548526
公司地址:山東省濰坊市高新區光電路155號光電產業加速器(一期)
PRODUCT
聯系人:王經理
聯系電話:13371051536
QQ:1401548526
公司地址:山東省濰坊市高新區光電路155號光電產業加速器(一期)

產品型號:FT-ZY1
產品價格:35800元
產品品牌:風途
一、車載揚塵噪聲監測儀產品簡介
車載揚塵噪聲監測儀又稱大氣環境走航式監測系統,車載揚塵噪聲監測儀是一款實時監控系統,基于移動式互聯平臺上開發的車載移動式揚塵自動監測設備,用于不同環境功能區、揚塵重點監控區監測。車載揚塵噪聲監測儀采用激光為光源的光散射式快速測塵儀,測量原理為:當光照射在空氣中懸浮的顆粒物上時,產生散射光,在顆粒物性質一定的情況下,顆粒物的散射光強度與其質量濃度成正比,通過測量散射光強度,應用質量濃度K值,求得顆粒物質量濃度。
儀器可同時監測(PM10,PM2.5),具有溫濕度補償、儀器自動校準等功能的新型測塵儀器,可有效降低溫濕度對測量值的影響,改善高濕度氣候環境下測量準確度,可在線連續監測空氣中顆粒物。
具備粉塵采樣進氣及出氣功能,具備過濾桶裝置、可保護抽氣泵的使用壽命,提高儀器的整體使用壽命。可在高溫環境下持續監測,可在安裝現場高溫環境下穩定可靠工作,能夠7x24小時不間斷工作。
二、車載揚塵噪聲監測儀傳感器技術參數
1、空氣溫、濕、氣壓傳感器:
1.1基本原理
本系列產品是采用一款高度集成的溫濕度傳感器芯片,芯片全測量范圍標定的數字輸出。它采用專利的CMOSens技術,確保產品具有極高的可靠性與卓越的長期穩定性。傳感器包括一個電容性聚合體濕度敏感元件和一個用能隙材料制成的溫度敏感元件,這兩個敏感元件與一個14位的A/D轉換器以及一個串行接口電路設計在同一個芯片上面。
1.2基本參數
空氣溫度:測量范圍:-40℃-60℃ 分辨率:0.1℃ 測量精度:±3%
空氣濕度:測量范圍:0-100% 分辨率:0.1% 測量精度:±3%
大氣壓力:測量范圍:300~1100hpa 分辨率:0.1hpa 測量精度:±1hpa
2、風速傳感器
2.1功能特點
風速傳感器是用于測量風的水平速度的專業氣象儀器。采用傳統三風杯風速傳感器結構,風杯選用ABS材料,強度高,同時配合內部順滑的軸承系統,啟動好,確保了信息采集的精確性。杯體內置信號處理單元能根據用戶需求輸出相應風速信號,可廣泛用于氣象、海洋、環境、機場、港口、實驗室、工農業及交通等領域。
2.2技術參數
測量范圍:0-32.4m/s精度:±0.3m/s啟動風速:0.2-0.4 m/s
供電電壓:7-24v DC
輸出信號:4-20mA
風速值=(輸出電壓-0.4)/1.6*32.4
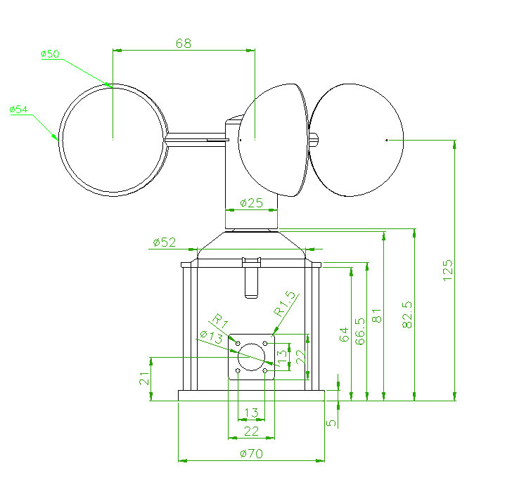
2.3外型尺寸與安裝說明

2.4固定方式
采用法蘭安裝方法,螺紋法蘭連接使風速傳感器下部管件牢牢固定在法蘭盤上,底盤Φ70mm,在Φ61mm的圓周上開四個均Φ5mm的安裝孔,使用螺栓將其緊緊固定在支架上,使整套儀器保持在最佳水平度,確保風速數據的準確性,法蘭連接使用方便,能夠承受較大的壓力。
3、風向傳感器
3.1功能特點
風向傳感器是用于測量風的水平風向的專業氣象儀器。其內部采用霍爾角度傳感器,并選用低慣性輕金屬風向標響應風向,當風向發生變化,尾翼轉動通過軸桿帶動軸芯磁鐵轉動,從而在輸出變化的電壓信號。可以測量以標簽北為起點的0-360度的自然界風向,具有很高的性價比,可廣泛用于氣象、海洋、環境、機場、港口、實驗室、工農業及交通等領域。
3.2技術參數
測量范圍:0-360度:(0.4V,或4MA對應0度,北的方向)
精度:±1°
啟動風速:0.3m/s
供電電壓:7-24v DC
輸出信號:4-20mA
風向值=(輸出電壓-0.4)/1.6*360
3.3外形結構

3.4固定方式
采用法蘭安裝方法,螺紋法蘭連接使風向傳感器下部管件牢牢固定在法蘭盤上,底盤Φ70mm,在Φ61mm的圓周上開四個均Φ5mm的安裝孔,使用螺栓將其緊緊固定在支架上,使整套儀器保持在最佳水平度,確保風向數據的準確性,法蘭連接使用方便,能夠承受較大的壓力。
注意:請在安裝調試時必須將立柱上的箭頭對準實際正北方(可用指南針協助),黑色風向傳感器上貼印有黑色箭頭的白色標簽;
4、泵吸式PM2.5、PM10傳感器:
供電電壓:DC12V
最大功耗:(電流2.5A)約30W
輸出方式:RS485(Modbus)
監測原理:激光散射
除濕原理:加熱除濕
氣泵流量:2L/min
尺寸:230x175x90(長寬高)
重量:約1.85kg(不含濾芯)
監測指標:
PM2.5 測量范圍:0-999ug/m3 分辨率:1ug/m3 測量誤差:±10%
PM10 測量范圍:0-1999ug/m3 分辨率:1ug/m3 測量誤差:±10%
TSP 測量范圍:0-4999ug/m3 分辨率:1ug/m3 測量誤差:±10%.
噪聲 測量范圍:40db~130db 分辨率:0.5db 測量誤差:±5% 頻率范圍:10-20KHz;
5、LED:
常規配置,戶外P8單色LED單行顯示

6、采集器參數:
該數據采集器采用當代微電子技術,對運行中的傳感器數據進行記錄、存儲、顯示具有工作可靠、操作簡單、數據便于收集和計算機分析等特點。采集器可將采集的數據直接存儲到普通U盤中。數據采集完畢后,用戶可直接將U盤插入采集器上提取數據。
供電:DC12V/直流
傳感器通訊:RS485 Modbus協議
網絡數據:GPRS傳輸
內部時鐘:手動校時
數據存儲:自動、最大16萬條
存儲間隔:60-65535可設。單位:秒
RS485接口:DB9針
數據導出:USB口、485口連接電腦、網站下載